The dreaded Error 16 code
-
Post(s) 0-3 are missing from the archive :(
Know where these posts are? Visit the new forum for how to help get them added :) -
HHanahsDax @Lia 24 April 2021, 02:41 UTC
@Lia I have a spare battery pack; casing, BMS, wiring harness, a plug and play swap essentially I bought figuring the battery would be the first part to give me problems. It gives me the same EC 16 which makes me believe it’s something in the controller. Diagnostics shows accurate voltage for each battery but thinks either one I plug in is at 32 degrees Fahrenheit.
-
stinkyface @HanahsDax 24 April 2021, 09:16 UTC
@HanahsDax cold solder joint in the controller end of that connecting cable?
-
Lia @stinkyface 24 April 2021, 10:37 UTC
@stinkyface Looks like that might be the case if the fault is following the controller. I assumed with how chunky those connections were they’d be fine but I guess after extended thrashing those are susceptible too.
-
HorsePlay 24 April 2021, 16:22 UTC
@HanahsDax , I have no input on the technical troubles ... but sure hope it sorts out quickly and surely. So glad for the tips and comments from this site's steady contributors and experts!
-
Lia @HanahsDax 24 April 2021, 23:43 UTC
@HanahsDax Any luck so far? @stinkyface 's suggestion of re-soldering the pins on the large connector on the controller seems like a good bet since you've eliminated a fault further back.
-
HanahsDax @Lia 25 April 2021, 02:01 UTCH
@Lia Yeah I didn’t see any cracks or separation of the solder on the connection pins for the battery. I took a soldering iron and reheated them just in case. Still no luck. Looks like the XR streak will end as time is running out.
-
Lia @HanahsDax 25 April 2021, 02:13 UTC
@HanahsDax Crap, only thing I can suggest now is to probe between the small white connector where the blue, black, green and white wires BMS side and with the controller side connector hooked up test the continuity all the way to the pins on the controller PCB to truly make sure that there is a path from BMS to controller and we're not missing something like heavy contact resistance in the connector.
If those are still clear maybe test shorts by probing between pins in diode mode, none of the voltage ones but namely white, green and ground. A shorted green and white (RX/TX) would confuse communication. I can't imagine the actual controller bit the dust!
Really sorry this happened, I'm hoping the solution reveals itself before 12.
-
blkwalnutgrwr 25 April 2021, 14:14 UTC
Onewheel Legend you are!!!
-
Lia @blkwalnutgrwr 25 April 2021, 15:54 UTC
@blkwalnutgrwr I second this, still #1 in my books.
Heatbreaking to see a HW issue do this, are there any 3rd party repair shops nearby that can take a look to get that board back rolling again?
-
blkwalnutgrwr @HanahsDax 25 April 2021, 19:59 UTC
@HanahsDax -- Your streak of daily riding continues unbroken with your V1 -- the two streaks overlap as you head for 1000 consecutive days riding Onewheels, even through Colorado winters!
-
HHanahsDax @HanahsDax 25 April 2021, 20:07 UTC
Thanks everyone for the support, suggestions, guidance and kind words. The community has been great and a big reason I’m so bummed is I feel I’m letting everyone down by not being able to continue to push the next rider. This community is inspiring in so many ways.
I had two options yesterday, crawl in a bottle and let sadness and disappointment run my life or try my hardest to get my XR repaired while also still keeping the V1 streak alive. I was unsuccessful on the repair as I lack the brain power that was required to properly diagnose and repair but kept the V1 day streak going. The quest for a 1000 days in a row is now relied on continuing the V1 day streak over the next 97 days. I also still have 3 badges to collect to complete the entire achievement section of the app.
*Life is only as good as the memories we make. And when this hourglass has filtered out its final grain of sand I’ll raise my glass to the memories we had.
So long, Astoria-The Ataris/Kris Roe -
Lia @HanahsDax 26 April 2021, 20:55 UTC
@HanahsDax I think it's safe to say you've been an inspiration to us all and still will even without the streak. The streak is by far an impressive achievement, one to stay recognised for a long time however your presence in the community is something that will never disappear. Supportive, constructive and an all round gem of a character that I'm glad I can call a friend.
The V1 streak will carry the torch for now. Who's to say you can't keep pushing the next riders on the board everyone least expects to outdo them ;)
Keep us updated on your XR too, if you need to bounce any thoughts or findings off me I'm happy to continue assisting where possible.
-
HHanahsDax @Lia 26 April 2021, 22:39 UTC
@Lia Thanks for all your help and kindness. I wish international shipping costs weren’t so extreme or I would send the controller and spare battery pack to you to tinker with. I thought about sending it back to the mothership but they will probably just tell me I need a complete overhaul so it’s almost more cost effective to buy a new XR. I have a ton of spare parts I collected hoping I would be able to address any problem I encountered during the streak but I may put them up for sale and use the funds to help with new board cost. I think @blkwalnutgrwr wants a few.
-
Lia @HanahsDax 26 April 2021, 23:07 UTC
@HanahsDax Agreed, international shipping bites :/
If nobody more local could take a look maybe you could try just sending the controller and I'd use my battery for testing since everything else checked out. At least that way you get to keep the working brains and mileage if I get it working again.
-
blkwalnutgrwr @HanahsDax 27 April 2021, 01:14 UTC
@HanahsDax -- Yes, indeed, I could use a motor assembly and sensor footpad if those are parts you care to part with. The harness I only wanted to cut out all the little wires and use it as a direct EGO cable -- so if it is not damaged you are better off getting it to someone else who needs the whole thing. Email blkwalnutgrwr@gmail.com Paypal ready. Again though, sorry your board malfunctioned.
Hmmm... On the other hand you could take my spare Plus controller and battery pack and turn your XR into a Plus if that is of any interest to you. (Edit: Actually my spare controller is 3206, not as desirable as 3208.) -
stinkyface @HanahsDax 27 April 2021, 08:26 UTC
@HanahsDax just curious, what hardware version is the record breaking board? 4207?
-
HanahsDax @stinkyface 27 April 2021, 16:57 UTCH
@stinkyface It was a 4206 ordered on 05/22/18 and was received 06/19/22. I remember checking the “Dude, where’s my board?” feature on the shipping info everyday. I ended up taking half a day off work the day it arrived and recorded my first ride which I titled Genesis and made up public on the ride section of the app. I used the board everyday expect for one which totaled to 1,038 days of use. Its ending mileage was at 6968 and I topped out at #49 for overall mileage the day it died.
@Lia Thanks for the offer, I may take you up on that. My original idea was to make a tribute with the rails and PCBA sort of like the one you did for your Vega. To be honest I wanted to give the board a makeover several miles back but couldn’t cuz I loved the pic you created of me and wanted to keep it resembling the artwork piece.
@blkwalnutgrwr I’ll post a pic of what I got. I actually have a plus controller I disassembled a while back and found a plus battery cell pack minus the casing, BMS and wiring harness so I could possibly create a plus with XR rails if the BMS in my original battery pack is able to accommodate a plus cell pack and is in decent working order. Thanks for the suggestion.
-
Lia @HanahsDax 27 April 2021, 17:53 UTC
@HanahsDax A tribute would be cool, but I feel that board has so much more left to offer before it's retired. I bet we can get it working again :)
The brain of it clearly works as it connects to the app and processes everything. All that's stopping it is the controller not seeing the thumbs up from the BMS. Might take a while but I'll reverse engineer a schematic from mine if I have to in order to find the loss in communication.Don't worry about changing the style, I'd be more than happy to do another once it's settled into it's new look. Will need some new vids for source material though so another reason to get you back on that XR ;)
-
blkwalnutgrwr @HanahsDax 27 April 2021, 18:16 UTC
@HanahsDax -- I concur with Lia, get your XR back in action!
If you are building a Plus, I have a BMS/battery-pack/case/&harness you can have. I took it out of my Plus this spring and have been using EGO batteries exclusively to power my Plus (and my V1, too).
-
HHanahsDax @blkwalnutgrwr 1 May 2021, 01:45 UTC
@blkwalnutgrwr you got first dibs on whatever part you want/need/desire.

-
blkwalnutgrwr @HanahsDax 1 May 2021, 02:45 UTC
@HanahsDax -- Nice collection. All I need is a motor -- the well used one would work fine or the hub with no tire (although that one looks brand new) -- and a sensor footpad, which I like looking beat-up since they get that way quick anyway, and yours looks new, although I would take it. Let's talk prices in email. I am excited, I have been looking for a suitable motor for almost a year now.
Are you sure you want to disperse all those painstakingly collected Onewheel parts? My own collection of parts has not happened overnight, it has taken three years of watching, thinking, acting quickly, and gambling a little, too.
-
Lia 23 July 2021, 13:27 UTC
Hi All,
The patient has made it's way to me and I've spent this morning taking a look.
So far all checks out as we left off. Board powers on, everything measures normally but if you get it in a startup orientation error code 16 rears it's ugly head.
Did some probing and found resistor R49 was dead. This resistor runs between the green and white wires from the BMS which I assume to be RX and TX by the colours. These are pins 14 and 6 on the big 16 pin connector leading into the controller from the battery. I've highlighted the traces for you on a pic from my board.

The resistor connects both RX and TX just before entering U17 (I don't know why, maybe some pull-down solution). When measuring between the pins I get an open circuit so R49 has died open.R49 is an 121ohm resistor according to the silk screen and I confirmed by probing my controller's pins 14 and 6. 121ohm resistors are.... uncommon so I made a 122ohm resistor from a 100ohm and 22ohm resistor in series.
Removed the dead one and wired in my resistor further back to give it more of a contact pad to solder to since these are larger and there are high voltage pins just next to it.

Alas, still error 16. This leads me to believe U17 is faulty which could have caused R49 to die. Unfortunately I can barely read the silk screen on it. I can make out the ST logo meaning it's a SGS Thomson chip.
I can just make out what appears to be 14 _ _ _ _ and below that either GX _ _ _ or 6K _ _ _. I'd take a pic but my phone refuses to get anything but a smudge.
I've toned back what appears to be Gnd and Vin for U17 so it looks like it should be getting power although I have yet to verify what is present on those pins when active.Possible issues I've got it down to is
- Debris on the board is causing interference, gonna give it a clean later.
- My resistor replacement, albeit the right resistance may be inducing some other quirk that's ruining the signal.
- U17 isn't getting the right power input from elsewhere in the board.
- U17 is dead.
- A broken component/trace between U17 and the main ARM chip
- The ARM chip is faulty.
I don't think it's the last once since the rest of it works so unless something dumped voltage on some sensitive pins I can't see why that would be the case. My concern is if U17 is a programmed chip or I just cannot locate what it is. If so I'll need a donor board. I assume I might be able to pick up a "dead" one from somewhere if need be unless anyone has one lingering around they'd be happy to sell me for transplanting U17.
Edit: Looked back through my notes, the black pin being Gnd for the BMS's communication appears to come in on pin 5 but after a bit of tracing I actually cannot find where that pin comes back out.... maybe... just maybe.... that's the fault.
You've seen how many vias are on this board... gonna be a while >.>
-
NotSure @Lia 23 July 2021, 13:58 UTC
@Lia said in The dreaded Error 16 code:
The patient has made it's way to me and I've spent this morning taking a look.
WHO
👏
ARE
👏👏
YOU???
👏👏👏 -
Lia 23 July 2021, 15:35 UTC
FOUND IT!!!!!
U17 : ST1480AB. Got the datasheet toooooooo.


Looks like the dead resistor was needed too. There's an implementation on another doc I found with a similar chip but paired with another to act as send/receive either side of the line. Note the 120ohm resisistors either end of the A/B lines.
(changing the values shouldn't matter as long as they're the same either side which seems like why I haven't fixed it yet)

I won't pretend I know more than some very basic stuff on these sheets, a lot of it is beyond me. I've gathered enough to verify the chip is being fed the right voltage though now and what pins are what.Better yet though, this chip isn't programmed, it's just logic gates so if it's shot I can just get another.
Still haven't found where that ground pin has gone though, poked a few other tinkers to see if they know before I pop open Slushy to see where her's goes although I feel like this may be a red herring.
In the meantime since there are 2 resistors, 1 either side I assume both have to match so I'm going to order an actual replacement SMD resistor. When stuff like this fails assuming they don't cascade then only one thing is bust. It may just be this resistor after all and I'm just big dumb!
EDIT: Ordered the appropriate resistor, figured out what one I'll need to appropriately replace this. On the downside I'm waiting a week :(
-
b0ardski @NotSure 24 July 2021, 16:35 UTC
@NotSure said in The dreaded Error 16 code:
@Lia said in The dreaded Error 16 code:
The patient has made it's way to me and I've spent this morning taking a look.
WHO
👏
ARE
👏👏
YOU???
👏👏👏from planet catwheel trying to phone home
-
Lia 30 July 2021, 18:44 UTC
Swapped the resistor, issue persists!
So that means the ST1480AB chip might be dead. Good thing it's replaceable.Having to order from China because Mouser, Digikey and Farnell are all out of stock for this chip with an expected wait time of November. Found one on eBay so ordered that. Gonna take a while since shipping seems to be economy.
While I had the board out I gave it some more poking with the multimetre. Traced back the pins on the other side of the chip, they all lead back to the ARM chip (stm32f103VB) as suggested by the datasheet for the ST1480AB. The actual via's are under the chip so I spent a while probing everywhere coming up empty till I realised there were some under the chip I had to probe from behind.
Here's what that all looks like.

The other 4 (3 since 2 are connected) pins coming off the ST1480AB appear to go back to 3 I/O pins on the ARM chip. They'll be programmed in the firmware for reading the data. Assuming those are where the pins are meant to go then no break/short appears to be present.
So with that all in mind it brings me back to ST1480AB is bad or... the Arm chip. Fingers crossed it's the ST1480AB otherwise some sort of hack will be needed to tell the ARM chip to ignore battery info if at all possible.
I'd like to imagine it's ST1480AB that died and in turn caused the resistor to die, or the resistor died and caused ST1480AB to die... Either way it makes more sense that it's the problem. We'll have to see when this replacement comes in... a few weeks >.>
--
Edit: So looks like even if the main ARM chip is dead some people have managed to extract the firmware from this type of chip already. If this one is dead there could be a chance that I could extract the existing firmware and write it to a new chip that isn't faulty.
Here's a video of someone doing it to the same family of chip.Edit again: Still waiting on this ST1480AB chip to arrive.
Shipping from China is so slooooooooooooooooooow -
Lia 15 August 2021, 13:37 UTC
Chip arrived early but I still get the same fault.

Silver lining to this is I haven't killed the board further or mine while using it as a donor for testing.
Removed the old chip and compared it to the new one before soldering and found that pins 7 and 6 have a resistance between them on a fresh chip but not the old one.
Ignore the slight variation in silk-screening, they're the same ST1480AB chip just made at different times and probably a different country.This implies the old chip has failed open much like the 121ohm resistor had. Whatever caused it isn't present anymore since the new chip and resistor haven't died, question is what still is? I really Really REALLY don't want it to be the ARM chip...

Going to take a step back and think a bit more on this, pick a few peoples brains and for good measure beg FM's support to give me a hint.
One thought came to mind, wondering if during development of the different hardware revisions they swapped the data pins from the battery. This is HW4206 and mine is HW4208 so if they did between those then they'd fail to communicate. Going to verify that first by asking around before just blindly swapping data pins.
-
blkwalnutgrwr @Lia 15 August 2021, 16:52 UTC
@Lia -- Impressive work you are doing! Best of luck and good wishes on this!
-
HorsePlay @Lia 15 August 2021, 21:04 UTC
@Lia, I really love your artwork! Great story telling. :)
-
Lia @HorsePlay 15 August 2021, 21:10 UTC
@blkwalnutgrwr Thanks :) If anything comes of this hopefully it guides another person having this issue in the right direction. This seems to be a woefully uncommon fault.
@HorsePlay Aha glad you like it, can't take credit for that sadly. I just modified the original meme which in itself was a re-drawing of another.
Sadly whoever did the re-drawing of it didn't leave a signature or anything in the corner so it's unclear who actually made it. -
Lia 22 August 2021, 15:41 UTC
Needed to take Slushy apart to modify her power button and fix the front light that's been flickering like mad for the past few months. Decided to compare both the controllers and see what might explain the failure of the 4206.
Here are both controllers almost exactly matched in framing for comparing.

Small differences, one of which I think is how FM disabled CnR on later models, I'll go into that later.
HD versions below.
.jpg)
.jpg)
So far other than minor variations in resistance across certain parts I've been looking at seem to be present but nothing that looks like a short where there shouldn't or an open line where there should be resistance.
Going to keep poking, eventually I'll find a significant difference, failing that a redditor suggested I probe the signals coming in and out of the chips to see if they're actually doing anything.
.
Regarding the CnR theory from earlier, after 4206 CnR was impossible. Plugging a charger into your board prevented you from riding it. Before you could just connect up a battery to the charge port and away you go. The disabling of CnR will have been hardware related otherwise we'd all be unable to do it if it was purely firmware.

Comparing the 2 boards it looks like an additional diode (D31) and resistor (R34) between Batt+ and Batt- makes it's way to a formerly unused pin on the Arm chip being PD8. Presumably tampering with this new circuitry might enable it. I don't think it will be as simple as cutting the trace to PD8 but I'll see.
Edit: Apparently this was already solved lol. Clearly I don't keep up. Can't find instructions but a guy in this vid says "cut the resistor" which I can only assume is R34.
Gonna test it out and see if that actually works. -
NotSure @Lia 22 August 2021, 16:19 UTC
@Lia said in The dreaded Error 16 code:
Comparing the 2 boards it looks like an additional diode (D31) and resistor (R34) between Batt+ and Batt- makes it's way to a formerly unused pin on the Arm chip being PD8. Presumably tampering with this new circuitry might enable it. I don't think it will be as simple as cutting the trace to PD8 but I'll see.
Edit: Apparently this was already solved lol. Clearly I don't keep up. Can't find instructions but a guy in this vid says "cut the resistor" which I can only assume is R34.
Gonna test it out and see if that actually works.Lol... soooo... why did they disable it? just curious.
-
Lia @NotSure 22 August 2021, 16:40 UTC
@NotSure FM don't like battery mods, each major hardware revision usually has measures in to prevent the latest ways to add range to the board. CnR was the first to go and was the simplest way to charge on the go without warranty voiding methods.
I imagine it's down to the bad press they'll get when someone's modded board catches fire or injures them. Headlines don't typically explain the nuance of a given situation so they'll probably just say "Death by Onewheel" and suddenly our boards get lumped in with all the other "dangerous" self balancing products :(
Personally I think CnR was the safest of all the methods minus the chance of snagging the cable and destroying the port if you roll the board. All variants after it involved a fair bit of DiY that results in absolute destruction if something goes wrong.
-
Lia 22 August 2021, 17:57 UTC
Found a difference!
On my board probing between either of the signal wires from the battery and ground results in an open line.
On the faulty board between either of the signal wires from the battery and ground results in a resistance of a few mega ohms.If I remove the new chip that goes away, if I add the old one I get 121 ohms, the resistance of R49 suggesting a short in the chip.
Probing the faulty chip again I get a short between pin 6 and 5 (white data line to ground). Not sure if this happened when removing the chip but even with the new one something isn't right suggesting the old chip is faulty and the new one isn't quite right. According to the chip specifications the chip is designed to handle a short in this manner so it's possible the arm chip is safe (hooray).
Another thing of note is they changed the chips between models. On the 4206 the RS-485 Transceiver is a ST1480AB but on my 4208 it's a VP1781.
Going to try one of those instead under the assumption that maybe... just maybe the eBay ST1480AB was a fake/wrong or for some reason the corresponding VP1781 in my battery doesn't want to talk to a ST1480AB on the controller. Not sure why since I don't believe anyone else has had issues changing boards but this at least seems like a worthy thing to chase.
Noticed on part of the datasheet the pinouts appear to be swapped on A and B however looking at the actual pin layout I can see they are correct.
Going forward with the replacement VP1781 since the chips differ in terms of their internal resistances enough that I assume you shouldn't mix different brands. Fingers crossed.
-
Lia 7 September 2021, 18:53 UTC
This delivery time is killing me >:/

-
Lia 2 October 2021, 16:29 UTC
So the chip arrived. Same issue...

Looks like it's not the chip then, can't see how 2 alternatives would have the same issue if they were at fault.Guess I best learn RS-485 signalling and how to use my osciloscope. I'm already down 2 monsters... send help lol.
So I'm now looking to find out if there is any signal coming from the ARM chip.
Below I'm first testing to see if any signal exists on either of the A/B pairs leaving the 16 pin connector to the battery. As you can see I get a noisy non existent signal measuring peaks of only a few milivolts. That's 1000th of a volt, the differential signal should be at least 200mv. In other words... no signal is present.
So I now try to measure before the RS-485 chip to see if the ARM chip is feeding it anything.
I'm seeing a constant 3.2v voltage on the receive pin and constant 0v on the transmit pin. So no signal at all.
So what does this all mean?
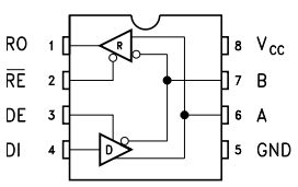
Well looking through the specs and how these things work it looks like the RE and DE pins enable/disable transmit or receive.

RE and DE are connected together and wired to Pin90 on the ARM chip. The way this works is when pulled low (no voltage) the receive pin is enabled and transmit is disabled. When high the receive pin is disabled and transmit is enabled.
This way the chip can only listen and not transmit or vice versa when instructed to by pin90. Hence the chip being listed as "Half Duplex" (Half-duplex devices can only transmit in one direction at one time).Because of this it makes sense there is no output on the A/B pins as there is nothing on the circuit sending a signal (as I have the battery removed).
I assume RE is pulled high at 3.2v constantly is because it requires a signal coming in on the A/B pins to pull it low to create a signal, like below. (Linky)

With that all in mind I assume once the battery sends a signal to the controller RE/DE get pulled high meaning R goes to 0v and D should send a signal causing A/B to show data in a differential pattern. This is how I believe it should work, assuming I'm correct I can start picking apart the data and find WHY it doesn't communicate.

I've reached out to another redditor that said they work with RS-485 to see if my assumptions so far are correct before I connect my battery and try reading what happens at each pin.
If anyone is interested in this I've linked below some resources I was using to try figure this out.
- RS-485 Serial Interface Explained
- RS-485 Transceiver Tutorial
- ST1480AX Datasheet
- How do I measure differential signals
.
Not giving up on this, there has to be a fault and a fix/bodge I can do to rectify this! I refuse to let this legendary controller bite the dust.
-
Lia 7 November 2021, 15:19 UTC
Needed to dump my thoughts while I have another swing at this.
Pulled my controller to compare again. Seems I was right, the battery sends the first signal and the controller sits and listens.
With just the controller and the charger neither of the data pins have a signal present.Hooked up the faulty 4206 to my board again this time with the RS-485 chip removed so I only see what the battery sends.
Got a few pics of the data sent, this was what appeared to be the first packet sent, it's a big one so presumably that contains all the BMS serial data and status.
Noticed this packet repeatedly being sent, assuming this to be updates on the battery voltage and temperature.
Currently no point in decoding the signal since the error is a lack of it reaching the chip.
Nothing else here to test till I've then checked signals again on the other side so I need to put an RS-485 chip back on.Grabbed a fresh RS-485 chip from the new texas instruments batch and soldered that on to see what signal I get and... wait... hold up...
...
It... works...
IT WORKS!
(screamed so much I went light headed...omg...)
-
NotSure @Lia 7 November 2021, 17:16 UTC
@Lia said in The dreaded Error 16 code:
IT WORKS!
(screamed so much I went light headed...omg...)Wrong thread. This belongs on r/blackmagicfuckery. I'm still in awe. congratulations @Lia . and @HanahsDax too! had to convert it but there it is! 11K km is approx 6900 miles just to be sure it wasn't urs..
-
blkwalnutgrwr @Lia 7 November 2021, 19:02 UTC
@Lia -- You fixed it! Exciting news! Congratulations! Great work!
-
Lia 7 November 2021, 19:50 UTC
@NotSure Felt like it, I kept staring at the app for a solid 10 seconds wondering if I somehow wired my controller to it which was laying across the room. I still don't believe it honestly xD
On a slightly sad note I got to watch the controller slip many positions on the mileage list. That being said I'm happy knowing it won't be stuck at 11214km anymore.
@blkwalnutgrwr Thanks :) Just the home stretch of putting a new motor connector on it, giving it a few test runs to make sure it doesn't die again then ship it back :)
-
SSirgu 7 November 2021, 20:36 UTC
Oh-my. Another success story drived by great skills and persistence. Gratz!
-
blkwalnutgrwr @Lia 7 November 2021, 23:00 UTC
@Lia -- Very impressive to me in your process: The two oscilloscope images and your very sensible interpretation of them.
-
Lia @blkwalnutgrwr 8 November 2021, 11:27 UTC
@blkwalnutgrwr Thanks :)
The signals look really simple, presumably a chip could be made to replicate that first packet from another board then continue passing through the rest as normal to bypass FM's serialisation on later models so you could pack swap again while retaining the functionality of battery updates. That is assuming there is a working BMS to clone the signal and they don't send repeat serial checks.
Personally I'd call it a doppelganger chip (or DGang chip), but I'll leave the naming to whoever actually builds one since I barely have a working grasp on this lol.
-
NotSure @Lia 8 November 2021, 15:51 UTC
@Lia all u need is a tiny cnc for carving ur own pcb's, a toaster, and a decent reflower (toaster ovens aren't decent reflowers imo) and i bet ur current skills are more than sufficient to get started. I sorta biff it when it comes to the patience lol. caveman smash!
-
Lia @NotSure 8 November 2021, 16:39 UTC
@NotSure Aha not even going to touch this one with a barge pole. I don't own an XR that would spit errors at me if I got the serial data wrong, let alone a working knowledge on how to efficiently clone, store and send the data D:
Plenty more technically literate floaters that could do this. JW essentially did something similar with their little JWFFM chip although the purpose was slightly different.
-
NotSure @Lia 8 November 2021, 16:57 UTC
@Lia said in The dreaded Error 16 code:
Plenty more technically literate floaters that could do this.
lol just didn't want u to sell ur self short.
-
Lia 12 November 2021, 21:03 UTC
Prepped it all to go back together. Replacement motor port came so took the time to remove old solder and put this new one on. Managed to find one local so shipping wasn't too long or pricey :)
Got the last one they had in stock too >:D
What I didn't realise which had been throwing me off while searching is the plastic under the port in all of the product images is actually just a removable piece to protect the pins. Ended up asking Reddit and everyone said this was indeed the right one.

I'd been thinking that was just a variation of the port and just couldn't find the right one. Doh...Afterwards did some testing and found literally all the pins on the motor/footpad connector were dead. There is a tiny space between the PCB and the port so any excess force closes the gap and severs the traces and solder.
Probably what happened to mine last year so did the same fix which holds up for me and I bet will outlast the other solder joints.
Put some hot glue over the wire joints then re-assembled the housing. Dragged Slushy's controller out and slid the 4206 one in to take it for a small spin round the apartment.
All works from what I can see. Sensors, bluetooth, gyros, ESC and charge port :D
On a slightly different note from the brief ride round in the apartment I noticed the 4206 and 4208 seem to ride ever so slightly differently. 4206 feels slightly more locked in and elevated than my 4208 which tends to have it's nose down a bit more and feels loosey goosey (which I enjoy regardless).
Left it on charge for the night so I can give it a proper test tomorrow to make sure it is rideable before boxing it up and sending it back to continue it's legacy.
.
EDIT :)
Didn't think this was worth making a new reply so added to the end of the last one~
Alright did testing, works perfectly fine :)
Went out to pickup a drill press and took the controller for a spin and then later rode around with my sis on the Pint as she wants a PintX so... had her practice on my Pint offroad for my second test.

My suspicious were correct, the 4206 is so much more locked in than my 4208. It feels snappier and more awake which took a little bit of adjusting to my usual ride style. My timing for speedbumps, curbs and terrain shifts needed a lil tweak.Put Slushy's controller back in and now decide how best to ship this back since something else is going in the box.
Presumably this'll be the last update before Dax has it back :)For anyone curious what the end result of this all was. R49 and U17 had died.
Both had shorted which caused the battery to no longer report it's statistics to the controller which generates error 16.
If your board has error 16 and the harness looks fine check if R49 is reading open and replace it with an equivelent resistor (121ohm in this case).
If that still doesn't work purchase a VP1781 RS-485 Transceiver and replace U17 with it. Make sure all the pads are connected and that there are no dead traces to and from the chip. -
HHanahsDax 17 December 2021, 01:42 UTC
It’s Alive! (and renamed)

The day it died. 04/23/21

Yesterday’s reunion ride. 12/15/21


